Fortress of Ash
Fortress of Ash
Dennis Gong
Massachusetts General Hospital
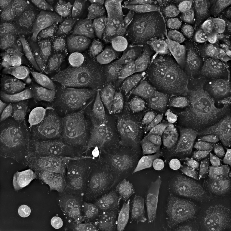
These are pancreatic cancer cells in their simplest form, just plated on glass. Using newly invented microscopy techniques, we can visualize intricate features of cancer cells that can teach us clues about how they are resisting therapy.
We aim to figure out what kind of morphological diversity exists within cancer cells and try to explain why it exists using paired imaging and gene expression measurements.
