Up Close and Personal with a Biomimetic Polymer4
Up Close and Personal with a Biomimetic Polymer4
Sufeng Zhang, Amy Jin, Robert Langer, Giovanni Traverso
Koch Institute at MIT, MIT Department of Chemical Engineering
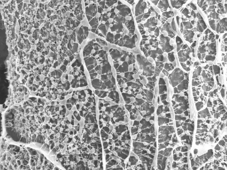
This image shows the interior structure of a hydrogel at nanoscale. This material was designed to deliver drugs in a targeted way to inflamed regions in the human gut. The network of nano-sized particles with thread-like connections makes it look like “grapes on a vine”; this potentially mimics the mucus network in healthy mucosa and protects the gut.
