Hydrogel of Virus-Templated Nanowires, Version #3
Hydrogel of Virus-Templated Nanowires, Version #3
Submitted by John Burpo and Angela Belcher of the Biomolecular Materials Lab at the Koch Institute
MIT Department of Biological Engineering, MIT Department of Materials Science and Engineering, Koch Institute at MIT
John Burpo, Angela Belcher
Biomolecular Materials Laboratory, Koch Institute for Integrative Cancer Research
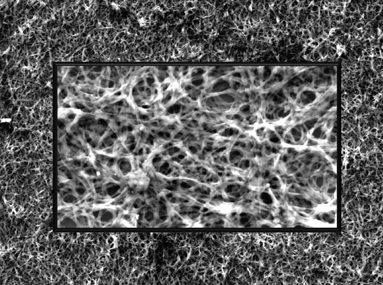
Scanning Electron Micrograph
"The image is a phage templated network of contiguous cobalt oxide nanowires. The 3-D virus hydrogel platform is emerging as a versatile platform for a broad array of applications from biological scaffolding to inorganic electrode materials and visually represents the breadth of research in the Biomolecular Materials Laboratory."
