Structure of a Hydrogel 3
Structure of a Hydrogel 3
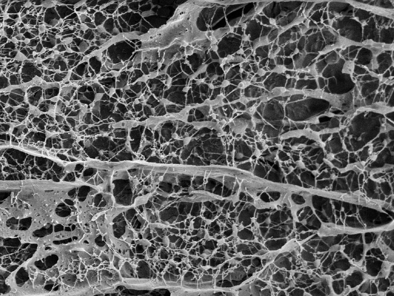
Sufeng Zhang, Amy Jin, Robert Langer, Giovanni Traverso
Koch Institute at MIT, MIT Department of Chemical Engineering
This image shows the interior structure of a hydrogel at nanoscale. This material was designed to deliver drugs in a targeted way to the inflamed regions in human gut. The nano-sized particles with thread-like connections form a network looking like “grapes on a vine”; this could potentially be used for drug delivery and mimicking the mucus network in the gut mucosa.
