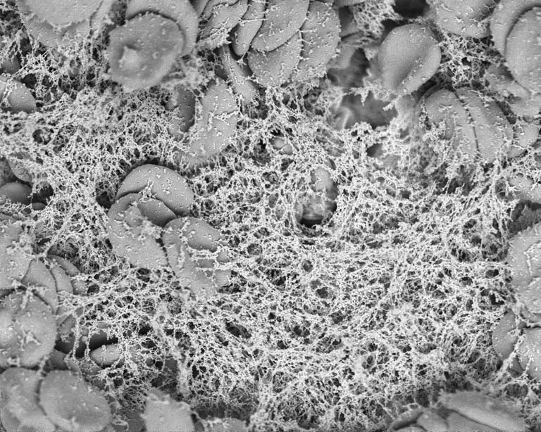
Blood Clots with Nanofiber 1
Blood Clots with Nanofiber 1
Bryan B. Hsu, Shuguang Zhang and Paula T. Hammond, Koch Institute at MIT
Koch Institute at MIT, MIT Department of Chemical Engineering, Institute for Soldier Nanotechnologies
This image shows nanofiber (RADA16-I) clots with blood cells. The images in this series show what a blood clot looks like on a microscopic scale. You can see the blood cells mixed in with either fibrin (the naturally occurring protein that assembles to give mechanical strength to a blood clot) or a short peptide (RADA16-I) that spontaneously self-assembles to entrap the blood cells, forming an artificial clot. By taking these images, we wanted to learn how RADA16-I interacted with blood and we found that they appear to do so in a similar fashion to fibrin.
