Up Close and Personal with the Injectrode 1
Up Close and Personal with the Injectrode 1
Submitted by Jay Sy and Kevin Spencer of the Cima and Langer Laboratories at the Koch Institute
MIT Department of Materials Science and Engineering, Koch Institute at MIT, MIT Department of Chemical Engineering, Institute of Medical Engineering and Science
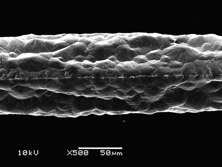
We are currently building a neural probe, which we call the injectrode, in order to study neuropsychiatric disorders. One of the key components is a sensor used to measure neurotransmitters in the brain. We use organic silver ink, a clear solution that reacts to produce metallic silver, to create electrical junctions in our fabrication. In this particular case, we are connecting a seven micron carbon (the width of about a red blood cell) to a 75 micron tungsten filament (the width of a human hair).
This micrograph (500x magnification) is an example of a smooth silver coating. Evidence of the carbon fiber can be seen as the horizontal line that runs across the image. This study allowed us to look at the structure of the silver coatings under different processing parameters.
