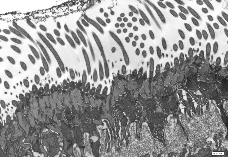
Microvilli on a Planarian Worm
Microvilli on a Planarian Worm
Submitted by Nicki Watson of the Whitehead Institute
Nicki Watson
W.M. Keck Microscopy Facility, Whitehead Institute
Transmission Electron Micrograph
"This ultra-thin section shows the microvilli on the surface of the planarian body."
